
Contact Hotline
0769-23103048 0769-23103048免費熱線:400-833-2669
固定電話:0769-23103048(楊小姐)
固定電話:0769-22013249(楊先生)
公司傳真:0769-23109526
您當前的位置:

咨詢熱線:400-833-2669




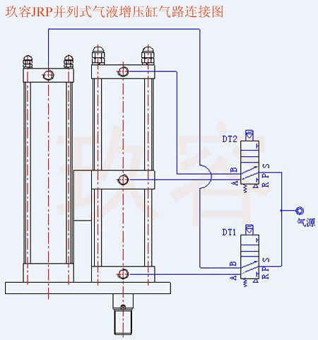
![]() | 氣液增壓缸動作順序: (1)、電磁閥DT1通電,氣壓作用在儲油筒液壓油表面,氣缸段總行程開始向下作位移; (2)、活塞桿位移遇到阻力,DT1保持,此時DT2通電,增壓段總成開始作位移; (3)、根據加工工件保壓需要,DT2斷電,此時增壓段總成復位,增壓缸卸壓; (4)、DT1斷電,氣缸段總成復位,液壓油回位到儲油筒,些時一個動作循環完成。 |
我司氣液增壓缸均采用進口日本NOK氣封,英國HALLITE油封,臺灣內電油缸等精密制造而成,臺灣技術,產品從采購到生產出貨均經過嚴格的行業標準執行,出貨前都經過上千次的嚴格測試,從而確保產品的高品質!產品具有結構簡單緊湊,無需液壓系統,使用維護簡便,出力易調整,獨特"軟著陸"不損模及增壓自適應,手動、半自動及全自動控制,無泄漏無噪音,無油壓系統溫升困擾,節能環保(實際能耗相當于油壓系統10~30%甚至更低),2年廠家質保等等優勢,歡迎廣大新老客戶選型報價!

東莞市玖容氣動液壓設備有限公司是一家30年專業研發生產制造氣液增壓缸、氣液增壓器、氣液增壓機、氣體增壓泵、倍力氣缸等氣液轉化元件之相關高新科技企業,擁有行業內完善的行業綜合解決方案,幫助過3000多家企業進行了針對性產品定制,服務過上萬家客戶。

公司1992年成立于臺灣省新竹縣。擁有一批資深的研發團隊,專業致力于氣液轉化元件的研發與生產。經多年磨練,現公司研發產品有:氣液增壓缸、氣液增壓機、氣液壓力機、氣液增壓器、空氣增壓泵、倍力氣缸、電動缸、伺服壓力機等系列氣動液壓設備。該類產品均采用現代先進設備(CNC)制造,配選日本,意大利等知名品牌密封件,其設計新穎,性能獨特,所生產產品均能達到“出力大,速度快,精度高,壽命長,無泄漏,節能源”等優點。



![]() | ![]() | ![]() |

東莞市玖容氣動液壓設備有限公司
咨詢熱線:400-833-2669
電話:18925544859黃小姐
傳真:0769-23109526
郵箱:jiurong.good@163.com
網址:www.dedljx.cn,www.jrzyq.com,www.twjiurong.com
地址:廣東省東莞市東城街道峽口沙嶺工業西路21號
